歡迎您來到鑫海文
基本性能:

| 供電電源 | 直流24V,±20% |
| 額定功率 | 最大300W(根據所選電機確定) |
| 額定轉速 | 根據所選電機確定 |
| 額定轉矩 | 根據所選電機確定 |
| 調速范圍 | 150RPY~額定轉速 |
| 絕緣電阻 | 常溫常壓下〉100MΩ |
| 絕緣強度 | 常溫常壓下1KV,1分鐘 |
| 散熱器自然冷卻 | ||
| 使用環境 | 場合 | 盡量避免粉塵、油污及腐蝕性氣體 |
| 溫度 | -10℃~ + 65℃ | |
| 濕度 | <80%RH,無凝露,無結霜 | |
| 振動 | 5.9m/S²Max | |
| 保存溫度 | -20℃ ~ +65℃ | |
| 體積 | 147x 75x 45(mm³) | |
| 重量 | 0.5Kg | |

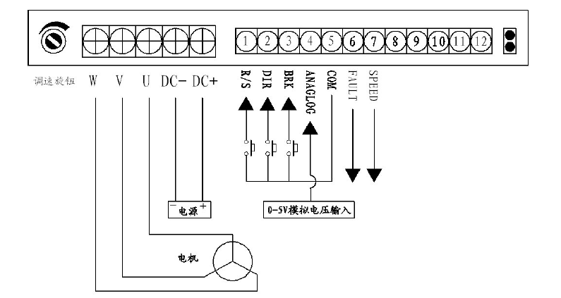
| 端子標記 | 端子定義 | |
| 功率端子 | DC+、DC- | 接直流電源。DC+與正極相接,DC-與負極相接 |
| U、V、W | 端子的U、V、W與電機的U、V、W三相對應連接 | |
| 控制端子 | 1 | R/S電機啟停控制信號,與COM端口短接電機啟動,斷開電機自然停車 |
| 2 | DIR電機轉向控制信號,與COM端口短接電機反轉,斷開電機正轉 | |
| 3 | BRK制動停車信號,與COM端口短接電機制動停車3 | |
| 4 | ANI外部模擬電壓調速輸入,默認輸入電壓0-5V | |
| 5 | COM信號接地端 | |
| 6 | FAULT故障信號輸出接口(低電平電機故障) | |
| 7 | SPEED速度信號輸出接口 | |
| 8-12 | 保留 | |
| 指示燈 | 紅燈閃爍 | 電機故障 |
| 綠燈閃爍 | 電機待機 | |
| 交替閃爍 | 電機正常運行 | |
| 調速旋鈕 | 調節電機轉速 | 順時針旋轉電機速度增加,逆時針旋轉電機速度減小 |

詢價